• Witamy w największym polskim serwisie internetowym poświęconym w całości zagadnieniom samodzielnej budowy nagłośnienia.
    Dzięki DIYaudio.pl poznasz zagadnienia samodzielnej budowy nagłośnienia od podszewki oraz będziesz mógł dyskutować o DIY audio do woli.

    Artykuły z dawnego portalu zostały przeniesione do sekcji forum na samym dole.

Visaton 2x w13 czy w17

  • Autor wątku Autor wątku BORO
  • Data rozpoczęcia Data rozpoczęcia
A co trzebaby przerobić w tej zwrotce.
Jest cięta na 3.5khz a g25ffl może być nawet przy 2khz

co przerobić aby podział ustalił sie an 2khz??

[ Dodano: 2006-02-19, 20:41 ]
Czy wystarczy jeżeli zmienie wartości

kondów w torze wysokotonowym z 4.7uF na 6,8uF
w torze niskotonowym z 10uF na 12uF

i cewek alalogicznie z 0,22mH na 0.33mH w wysokim
 
Maniak napisał:
Czy wystarczy jeżeli zmienie wartości

kondów w torze wysokotonowym z 4.7uF na 6,8uF
w torze niskotonowym z 10uF na 12uF

i cewek alalogicznie z 0,22mH na 0.33mH w wysokim

tak właśnie wygląda zwrotka, którą przedstawiłem wyżej.

zastanawia mnie tylko przebieg fazy dla takiej zwrotki.

nie wiem dlaczego obrazki się nie wyświetlają od razu, ale po kliknięciu prawym i pokaż obrazek można go zobaczyć.
 
jakubwi napisał:
Maniak napisał:
Czy wystarczy jeżeli zmienie wartości

kondów w torze wysokotonowym z 4.7uF na 6,8uF
w torze niskotonowym z 10uF na 12uF

i cewek alalogicznie z 0,22mH na 0.33mH w wysokim

tak właśnie wygląda zwrotka, którą przedstawiłem wyżej.

zastanawia mnie tylko przebieg fazy dla takiej zwrotki.

nie wiem dlaczego obrazki się nie wyświetlają od razu, ale po kliknięciu prawym i pokaż obrazek można go zobaczyć.

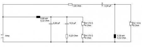
tyle, że ja mam w170s 4ohmowy....

hmm..... czy bedzie dobrze??
 
Mi wyszło coś takiego .. tylko mam problem jak odczytać korelacje fazową między głośnikami ... jak powinien wyglądać oryginalny wykres ?? acha i jak mam odczytać częstotliwośc podziału gdy mam 2 głośniki połączone szeregowo ?? napewno nie przecięcie się wykresów gdyż linia niebieska to tylko 1 W 17 S
 

Załączniki

  • 4_529.jpg
    4_529.jpg
    15 KB · Wyświetleń: 0
  • 2_178.jpg
    2_178.jpg
    31.3 KB · Wyświetleń: 0
  • 1_170.jpg
    1_170.jpg
    40.8 KB · Wyświetleń: 0
ja mam 1 w170s 4ohm, i g25ffl 8ohm

gdzie mogę znaleźć odpowiednią zwrotkę, bo ta z podziałem na 3,5kHz chyba nie będzie optymalna.

[ Dodano: 2006-02-26, 18:57 ]
??

[ Dodano: 2006-02-26, 19:18 ]
czy moze ktos pomóc
 
Powrót
Góra