• Witamy w największym polskim serwisie internetowym poświęconym w całości zagadnieniom samodzielnej budowy nagłośnienia.
    Dzięki DIYaudio.pl poznasz zagadnienia samodzielnej budowy nagłośnienia od podszewki oraz będziesz mógł dyskutować o DIY audio do woli.

    Artykuły z dawnego portalu zostały przeniesione do sekcji forum na samym dole.

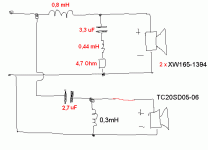
Zwrotnica do 2 x XW-165 + Vifa TC20SD05-06

płytka 24zł ? :D:D:D a po co? bierzesz kawalek mdfu/sklejki/wiorowki i laczysz... a te 25zl doloz do glosnikow albo elementow na zwrotke
 
kondensator 2,2 uF daj MKT, 3,3 folia gladka .

a cewki kup :

2 szt. 1,2 mm 0,82 mH 0,37 ohm Cena: 17,50 PLN

2 szt 0,7mm 0,47 mH 0,57 ohm Cena: 5,00 PLN

2 szt . 0,7mm 0,33 mH 0,47 ohm Cena: 4,50 PLN

rezystory:
2szt 1ohm 10W
2 szt 3,3 ohm 10W

dlatego takie wartosci, gdyz w obwodzie koreksci rezonansu ma byc rezystancja 4,7 R (sumarycznie) wiec trzeba tez uwzglednic tu rezystancje tej cewki ktora tam jest ( tej 0,47mH) wiec 1+3,3 +0,5 (R cewki tyle gdzies wyjdzie jak sie pare zwojuw odwinie) = 4,8 ohm
 
JA już się pogubiłem :-(

niech ktos mi to namaluje albo naszkicuje lub naniesie na poniższy rysunek bo moja wiedza na temat rezystorów , kondensatorów i cewek ogranicza sie do sposobu ich wlutowania.
 

Załączniki

  • 2_x_xw165___vifa_127.gif
    2_x_xw165___vifa_127.gif
    5.8 KB · Wyświetleń: 0
:-)

Właśnie o to mi chodziło, dzięki djrobo :-)

teraz tylko niech ktoś z doświadczeniem to zasymuluje i będę miał gotowy projekt zwrotnic.

Wcześniej o tym nie pisałem, ale tu chodzi o zakład (koleżeński zakład).
Już wyjaśniam.
Kolega usłyszał, że chcę sobie sprawić kolumny. I że ma być to Tesla.
Jednoznacznie stwierdził, że nie będzie to za ciekawie grało.
On sam ma kolumny na angielskiej wersji głośników mission, sam głośnik gra troszeczkę ładniej od visatona. Ale do kolumny są włożone kupne zwrotnice i nawet BR jest na przypał zrobiony, (nie można znaleźć parametrów tego głośnika)

Więc jeżeli chce żeby mój zestawik grał ładniej od tego missiona, to cała nadzieja w zwrotnicach i porządnej obudowie odpowiednio zestrojonej.

Na wiosne jak wszystko będzie gotowe, zamieszczę post z fotkami mojego kina domowego.
opisze cały etap budowy+ fotki, i opiszę wrażenia z odsłuchu.
Testować główne kolumny będziemy na 3 amplitunerach:
- denon 1601
- Onkyo Integra
- YAMAHA RX-V 630

[ Dodano: 2006-02-10, 09:53 ]
djrobo napisał:
a cewki kup :

2 szt. 1,2 mm 0,82 mH 0,37 ohm Cena: 17,50 PLN

2 szt 0,7mm 0,47 mH 0,57 ohm Cena: 5,00 PLN

2 szt . 0,7mm 0,33 mH 0,47 ohm Cena: 4,50 PLN

nie bardzo rozumiem- ale ja nie mam wstawić cewek o takich wartościach?
bo jakby nie patrzył to w takim przypadku zmienia sie parametry zwrotnicy.
Nie lepiej zastosować:
0,22mH + 0,22mH = 0,44mH 12,60zł
0,47mH + 0,33mH = 0,80mH 16zł
0,15mH + 0,15mH = 0,30mH

czyli 6 cewek na zwrotnice??
 
teoretycznie przerobka jest wlasciwa. Jak bedzie w praktyce to pewnie nikt nie uslyszy a nie bedzie komu zmierzyc.

Wartoscia rezystora 4,7oma (oryginalnie 2,2oma) dobiera sie charakterystyke w zakresie srednich tonow i mozna to zrobic na ucho.

Oryginalnie na wysokotonowke jest 2,7uF i radzilbym przy tym zostac bo 2,2uF opusci i efektywnosc i powiekszy dziure w podziale.

Po jaka cholere laczyc cewki szeregowo i wydawac dwa razy wiecej kasy?
W polinku sa wszystkie wartosci, zamiast 0,44 najblizsza to 0,45 a pewnei i 0,47 sie nada. Potem 0,82mH i 0,3 to standard. Te mniejsze moga bycdrutem 0,7-0,8mm a najwieksza przydalaby sie 1,2mm.
 
to ci ci Ci podalem to sa ilosci na dwie kolumny:)

wiec dla jednej zwrotnicy wez :

1 szt. 1,2 mm 0,82 mH 0,37 ohm Cena: 17,50 PLN

1 szt 0,7mm 0,47 mH 0,57 ohm Cena: 5,00 PLN

1 szt . 0,7mm 0,33 mH 0,47 ohm Cena: 4,50 PLN

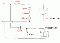
kondensator daj wiec zgodnie z sugestia Irka 2,7 uF MKT( w www.qba.com.pl jest np.) , 3,3 folia gladka .

rezystory:
1szt 1ohm 10W
1 szt 3,3 ohm 10W
 
Nadal nie wiem przy ilu jest cieta ta zwrotka.
 

Załączniki

  • 2_x_xw165___vifa_127_133.gif
    2_x_xw165___vifa_127_133.gif
    5.7 KB · Wyświetleń: 0
na http://www.polink.com.pl/ są wszystkie cewki (0,8 0,44 0,3)
zamawiać tam, czy lepiej dać zamiast cewki 0,44 cewkę 0,47 ?? i zamiast cewki 0,8 cewke 0,82 i zamówic w http://www.grelton.mycom.pl ??

W orginale na wysokotonowym był kond 2,67; robić 2,67 czy 2,7 ?

Czym się różnia kondy MKT i MKP i te Viasatona?

Ps. nadal nie wiem przy ilu jest cieta ta zwrotka.

jak pierwszy raz wszedłem na polink to były cewki. A teraz napisali że nowy cennik dobiero za 2 tygodnie.
 
kond daj 2,7uF, napisalem gdzie sa
cewki daj te co ci podalem w visatonie i bedzie dobrze. kondy daj MKT, nie ma sensu przy tej jakosci glosnikach pchac sie z PKM, bo i tak nie uslyszysz roznicy!
podzial wedlug wykresu ktory podal irek wychodzi na 4Khz
chyba juz wszystko jasne.
 
bo jak kupujesz kondensator jako audiofilska jakosc to placisz jak za zborze a jak kupujesz kondensator po prostu u normalnego sprzedawcy to masz w normalnej cenie.
MKP maja nieco lepsze parametry a ich produkcja jest niec odrozsza. Jakie ceny znajdziesz w sklepie to juz nie zalezy od technologi tylko od sprzedawcy i producenta.
W praktyce MKP tak sa lepsze od MKT jak kanapka z szynka od kanapki z serem :)
 
Mam jeszcze takie pytanie,
Aby zapobiec znieksztalceniom fazowym w tym rzędzie zwrotnicy(2), zmieniamy polaryzację głośnika wysokotonowego. TAK?
 
a widzisz na schemacie zwrotnicy zeby faza byla zmieniona??
A na charakterystyce cisnienei snosi sie przy podziale ze chcesz odwrocic faze?

Wez sie kolego za robote bo zaraz odesle Cie do klockow LEGO.
 
co to jest sejm? nie ma sie co rzucać, spokojnie nie mozna tego wyjaśnić, nie kazdy zajmuje się od zawsze audio, niektórzy chcą sie czegoś dowiedzieć
 
A ile mozna sie pytac i pytac? Zeby sie czegos nauczyc to trzeba wreszcie cos zrobic!
Wszystko jest juz na schemacie narysowane i wiele osob sie do tego przykladalo.
 
Pytać można zawsze, im więcej pytań tym lepiej, pytania można zadawać znając odpowiedź na zadawane pytanie, bo zawsze trzeba brać pod uwagę fakt, że samemu można się mylić.
(zwłaszcza jeśli jest się nie obcykanym w temacie)

:-) ale wymyśliłem !!! tekst jest trochę postrzelony, ale coś w nim jest.

A tak na poważnie to, jestem naprawdę wdzięczny osobom, które pomogły mi z ta zwrotnicą.

Ale niestety najgorsza zwrotnica jeszcze przede mną. Mam na myśli zwrotnice do centralnego (Visaton + Vifa). Niedługo zamieszczę nowy post z dokładnymi danymi.
 
Powrót
Góra